石蜡油流量计

石蜡油流量计是一种常用的容积式流量测量仪表,主要用于液体流量的精确计量。适用于高粘度液体(如油类、化工液体),精度通常可达±0.5%~±0.2%,对前后直管段要求低,可水平或垂直安装。可配机械计数器(就地显示)或脉冲信号输出(远程传输),便于集成到控制系统。

产品简介 / Hot product

一、石蜡油流量计概述

石蜡油流量计是用于管道中液体流量连续或间断测量和控制的容积式计量仪表。它具有量程范围大、准确度高、压力损失小、粘度适应性强、能测量高温高粘液体、标定方便、安装建议等诸多优点。适用于石油、化工、化纤、交通、商贸、食品、医药卫生等部门的流量计量。

LC系列石蜡油流量计装有指针和字轮累积装置,可现场直接显示流经管道内的液体累积流量。在计数机构中附加发讯装置与电显仪表配套可实现累积、定量和瞬时流量远传集中控制。加装散热器或椭轮欠齿可测量高温、高粘液体。

不同的液体(酸、碱、盐、有机溶液等)流量计主体可选择不同的材质制造。

石蜡油流量计产品分类图


二、石蜡油流量计结构与工作原理

石蜡油流量计由流量变送器和计数机构组成。变送器与计数机构之间加装散热器,则构成高温型流量计。送变器由装有一对椭圆齿轮转子的计量室和密封联轴器组成,计数机构则包含减速机构、调节机构、计数器、发讯器。

石蜡油流量计结构图

计量室内由一对椭圆齿轮与盖板构成初月形空腔作为流量的计量单位。椭圆齿轮靠流量计进出口压力差推动而旋转,从而不断地将液体经初月形空腔计量后送到出口处,每转流过的液体是初月形空腔的四倍,由密封联轴器将椭圆齿轮转的总数以及旋转的快慢传递给计数机构或发讯器,便可知道通过管道中液体总量和瞬时流量。

石蜡油流量计工作原理图


三、石蜡油流量计技术参数

1 铸铁型、铸钢型、不锈钢型椭圆齿轮流量计

石蜡油流量计技术参数表


2 高粘型椭圆齿轮流量计

石蜡油流量计高粘型技术参数表


3 高精度椭圆齿轮流量计(精度:0.2%)

石蜡油流量计0.2级精度技术参数表


4 高精度、高粘度椭圆齿轮流量计(精度:0.2%)

石蜡油流量计0.2级精度高粘度技术参数表


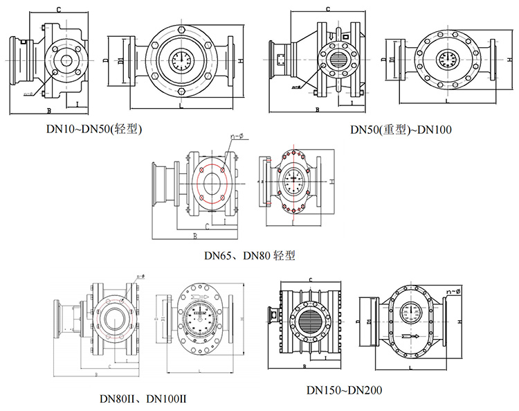
四、石蜡油流量计外形尺寸图

石蜡油流量计外形图


1 铸铁型椭圆齿轮流量计外形尺寸

型号:LC—A、LC—NA(高温型:DN50轻型及以下B加100mm,DN50重型及以上B加160mm)

石蜡油流量计铸铁材质尺寸图


2 铸钢型外形尺寸

型号:LC—E、LC—NE、 (高温型:DN50轻型及以下B加100mm,DN50重型及以上B加160mm) 

石蜡油流量计铸钢材质尺寸图

*法兰尺寸为1.6MPa标准;(长度及法兰尺寸可定制);


3 LC—B型不锈钢椭圆齿轮流量计外形尺寸(单位:mm)

 (高温型:DN50轻型及以下B加100mm,DN50重型及以上B加160mm)

石蜡油流量计不锈钢材质尺寸图

*法兰尺寸为1.6MPa标准;(长度及法兰尺寸可定制);

*高温型椭圆齿轮流量计外形尺寸:DN15~DN50(轻型),B尺寸按上表数据加100mm热延伸管;DN50(重型)~DN200,B尺寸按上表尺寸加160mm热延伸管,其余尺寸同上表相应尺寸。


五、石蜡油流量计选型表

石蜡油流量计选型表

推荐产品 / Hot news
推荐文章 / Hot news
X金湖凯铭仪表有限公司

截屏,微信识别二维码

微信号:13655235852

(点击微信号复制,添加好友)

  打开微信

微信号已复制,请打开微信添加咨询详情!