罗茨容积式流量计

罗茨容积式流量计(又称气体腰轮流量计)是一种高精度、高可靠性的容积式气体计量仪表,广泛应用于天然气、煤制气、惰性气体、空气等气体的流量计量。精度±1.0%,支持脉冲信号、4-20mA模拟信号、RS485(MODBUS协议)输出,可与IC卡预付费系统、远程集抄系统(如GPRS)配套,实现数据集中管理。

产品简介 / Hot product

罗茨容积式流量计是在罗茨流量计基础上集成流量、温度、压力传感器和智能化仪表的新型流量计。是测量天燃气、城市煤气、丙烷、氮气、工业惰性气体等非腐蚀性气体的的理想仪表。

罗茨容积式流量计产品图片


罗茨容积式流量计,主要由壳体、共轭转子和智能流量积算仪等部件构成。装于计量室内的一对共轭转子在流通气体的出入口压差(P 入>P 出)作用下,通过精密加工的调校齿轮使转子保持正确的相对位置。转子间、转子与壳体、转子与墙板间保持*佳工作间隙,实现了连续的无接触密封。转子每转动一周,输出四倍计量室有效容积的气体。

罗茨容积式流量计结构图


一、罗茨容积式流量计产品特点

1.高精度、高重复性:长期精度不受介质的影响,长期运行,精度稳定;

2.高集成度,低功耗:采用先进的微机技术与高性能的集成芯片,整机功能强大,性能优越;

3.基本输出完整:智能流量计带有基表脉冲输出、工况或标况脉冲信号输出,和标定脉冲输出。也可根据用户需要输出 4~20mA 模拟量信号或 RS485 通讯;

4.数据追溯管理:实时数据库,通过 RS-485 通讯接口,可查询分析;

5.分段修正:按流量频率信号,可将仪表系数分九段自动进行线性修正,提高仪表的宽范围精度;

6.完整数据存储功能:采用 E2PROM 数据存储芯片,保存用户参数、厂家参数,及时的数据保存功能,可防止突然掉电时数据丢失,在停电状态下,内部参数可永久性保存;

7.GPRS 实时管理系统:本系列中,B 型表具有 GPRS 传输功能,可在线、定时长、定点实现传输功能,监测仪表、控制阀、管线压力、燃气报警器等数据,*其容易组建GPRS无线网络系统;


二、罗茨容积式流量计技术参数

罗茨容积式流量计技术参数对照表


三、罗茨容积式流量计流量范围

罗茨容积式流量计流量范围对照表


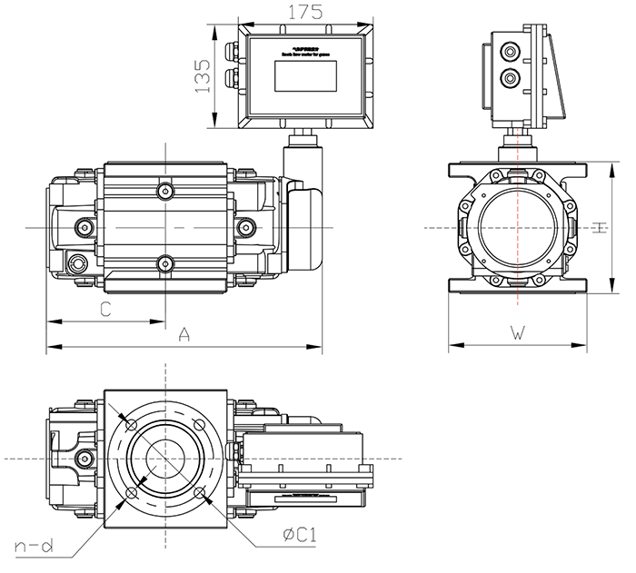
四、罗茨容积式流量计产品尺寸

罗茨容积式流量计外形尺寸图

罗茨容积式流量计尺寸对照表


五、罗茨容积式流量计产品选型

罗茨容积式流量计选型对照表


六、罗茨容积式流量计应用领域

罗茨容积式流量计应用领域图


罗茨容积式流量计是集成流量、温度、压力传感器和智能化仪表的新型流量计,测量天燃气、城市煤气、丙烷、氮气、工业惰性气体等非腐蚀性气体的的理想仪表。

推荐产品 / Hot news
推荐文章 / Hot news
X金湖凯铭仪表有限公司

截屏,微信识别二维码

微信号:13655235852

(点击微信号复制,添加好友)

  打开微信

微信号已复制,请打开微信添加咨询详情!